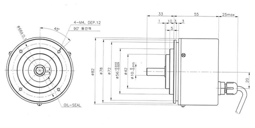
RIB-80-30 Solid Shaft Encoder
- Rugged Model
- Rigid Type
- High Reliability

Electrical Specifications
|
Resolution
|
500, 632, 1000
|
Supply
Voltage
|
Line
Driver
|
DC + 5 V
|
Complementary Open Collector Voltage Output Totempole
|
DC + 15
V
|
Current
Consumption
|
150 mA
Max.
|
Frequency Response
|
85 kHz
Max.
|
Rise and
Falling Time
|
Line
Driver
|
0.2 µs
|
Complementary Open Collector Voltage Output
|
3 µs
|
Mechanical
Specifications
|
Maximum
Rotational Speed
|
5000 RPM
|
Starting
Torque
|
500gf. cm
Max. at 25°C
|
Moment of
Inertia
|
100gf.cm²
Max.
|
Maximum
Shaft Load
|
Radial
|
10 kg Max.
|
Axial
|
5 kg Max.
|
Vibration
Resistance
|
10 ~ 55Hz /
1.5mm
|
Shock
Resistance
|
100G / 11msec
|
Operating
Temperature Range
|
-10°C ~
+70°C
|
Storage
Temperature Range
|
-25°C ~
+85°C
|
Protection
|
IP64
|