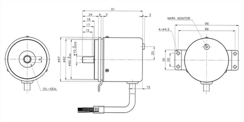
RAA-60-40 Absolute Shaft Encoder
- BCD Code / Binary Code
- Designed for CNC Machine Tool Changer

Electrical Specifications
|
Resolution
|
8, 10, 12, 16, 30
|
Supply
Voltage
|
DC + 24V
|
Current
Consumption
|
PNP
|
90 mA
Max.
|
NPN
|
80 mA
Max.
|
Frequency Response
|
20 kHz
Max.
|
Rise and
Falling Time
|
PNP
|
3 µs
|
NPN
|
3 µs
|
Mechanical
Specifications
|
Maximum
Rotational Speed
|
5000 RPM
|
Starting
Torque
|
200gf. cm
Max. at 25°C
|
Moment of
Inertia
|
30gf.cm²
Max.
|
Maximum
Shaft Load
|
Radial
|
5 kg Max.
|
Axial
|
5 kg Max.
|
Vibration
Resistance
|
10 ~ 55Hz /
1.5mm
|
Shock
Resistance
|
50G / 11msec
|
Operating
Temperature Range
|
-10°C ~
+60°C
|
Storage
Temperature Range
|
-20°C ~
+80°C
|
Protection
|
IP64
|