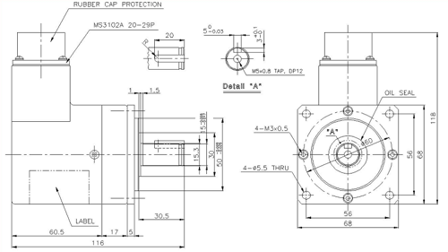
RIB-60-58 Solid Shaft Encoder
- Wide Ranging Applications
- High resolution
- High Frequency Response

Electrical Specifications
|
Resolution
|
1024
|
Supply
Voltage
|
Line
Driver
|
DC + 5V
± 5%
|
Current
Consumption
|
150 mA
Max.
|
Frequency Response
|
250 kHz
Max.
|
Rise and
Falling Time
|
Line
Driver
|
0.2 µs
|
Mechanical
Specifications
|
Maximum
Rotational Speed
|
12000 RPM
|
Starting
Torque
|
300gf. cm
Max. at 25C
|
Moment of
Inertia
|
250gf.cm²
Max.
|
Maximum
Shaft Load
|
Radial
|
5 kg Max.
|
Axial
|
5 kg Max.
|
Vibration
Resistance
|
10 ~ 55Hz /
1.5mm
|
Shock
Resistance
|
50G / 11msec
|
Operating
Temperature Range
|
-10°C ~
+70°C
|
Storage
Temperature Range
|
-20°C ~
+85°C
|
Protection
|
IP64
|