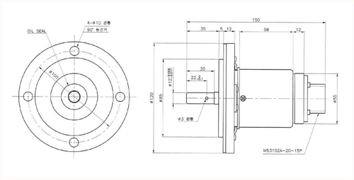
RIB-60-18 Solid Shaft Encoder
- Ultra rugged model
- High reliability
- Vibration Proof Design

Electrical Specifications
|
Resolution
|
250, 600
|
Supply
Voltage
|
DC +24V
|
Current
Consumption
|
300 mA
Max.
|
Frequency Response
|
30 kHz
Max.
|
Rise and
Falling Time
|
5 µs
|
Mechanical
Specifications
|
Maximum
Rotational Speed
|
3000 RPM
|
Starting
Torque
|
2kgf. cm
Max. at 25°C
|
Moment of
Inertia
|
500gf.cm²
Max.
|
Maximum
Shaft Load
|
Radial
|
5 kg Max.
|
Axial
|
5 kg Max.
|
Vibration
Resistance
|
10 ~ 55Hz /
1.5mm
|
Shock
Resistance
|
100G / 11msec
|
Operating
Temperature Range
|
-10°C ~
+60°C
|
Storage
Temperature Range
|
-20°C ~
+85°C
|
Protection
|
IP64 / IP66
|